Ürün Özellikleri

S Model

S Model - Elevatör

Kovalı elevatörlerimiz kayış kasnak bağlantılı (KK) serisi ve akuple bağlantılı (AR) serisi olmak üzere 2 farklı motor bağlantı seçeneğiyle sunulmaktadır. Modüler yapısı sayesinde montaj ve bakım kolaylığı sağlar.

  • S Model

    S Model elevatörlerimiz kayış kasnak bağlantılı şaft montajlı helisel redüktör ile tahrik edilir.

    Farklı çaplarda kasnak kullanılabildiği için değişik hız ve kapasiteler elde edilmektedir.

    Teknik Servisi kolaydır.

Resmi Görüntüle
  • Daha Fazlası

    Tahrik

    Tahrik başlığı hem kayış kasnak (KK Serisi) hem de akuple (AR Serisi) olarak tahrik edilir.

    Geri dönüş kilidi sayesinde elektrik kesildiğinde sistemin geri kaçması engellenerek bakım kolaylığı sağlanır.

    Close
  • Daha Fazlası

    Kolon

    Su ve toz sızdırmazlığına karşı özel dizayn edilmiştir.

    Close
  • Daha Fazlası

    Kova

    Yüksek yoğunluklu polietilenden üretilen kovalarımız esnek, sağlam, aşınmaya karşı uzun ömürlü ve anti-statik özelliğe sahiptir.

    Close
  • Daha Fazlası

    Kayış

    Toz patlamayı minimize etmek üzere kayışlarımız anti-statik özelliğe sahiptir.

    Close
  • Daha Fazlası

    Avare Başlığı

    Galvanizli çelikten üretilen tahrik alt başlığı, özel profiller ile desteklenen güçlü bir yapıya sahiptir.

    Close

Kovalı elevatörlerimiz galvanizli sacdan üretilmektedir. Bu sayede çevresel etkenlere karşı emsallerine göre daha uzun ömürlüdür. Yüksek yoğunluklu ve antistatik özellikli kovalarımız ile antistatik özellikli kayışlarımız sayesinde kovalı elevatörlerimiz hem güvenilir hem de uzun ömürlüdür.



Kapasite

Kovalı elevatör 25 t/s kapasiteden 1200 t/s kapasiteye kadar farklı model ve ürün seçeneklerine sahiptir.

STANDART EKİPMANLAR
  • Tahrik Başlığı
  • Avare Başlığı
  • Kolon
  • Motor
  • Redüktör
  • Tambur
  • Kayış - Kasnak Muhafaza
  • Yatak Muhafaza
  • Tahrik Toz Patlama Kapağı ve Sensörü
  • Toz Emiş Bağlantı Flanşı
  • Polietilen Kaplama
  • Anti - Statik Kayış
  • Yüksek Yoğunluklu Kova (UHWM)
  • Kremayerli Bakım Kapağı
  • Gözetleme Kapağı


OPSİYONEL EKİPMANLAR
  • Otomatik Rulman Yağlama
  • Kayış Kayma Sensörü
  • Devir Sensörü
  • Giriş Haznesi
  • Mıknatıs
  • Motor Muhafaza
  • Kayış - Kasnak Muhafaza
  • Kolon Toz Batlama Bacası
  • Kulesiz Servis ve Dağıtıcı Dinlenme
  • Toz Emiş Bağlantı Flanşı
  • Platformu
  • Gemici Merdiveni
  • Lokal Toz Toplama Filtresi
  • Tıkanma Sensörü
Kolay Kullanım

Tasarımlarımızın modüler ve standart yapıda olmasından dolayı yedek parça tedariği ve teknik servis hizmeti kolaydır.

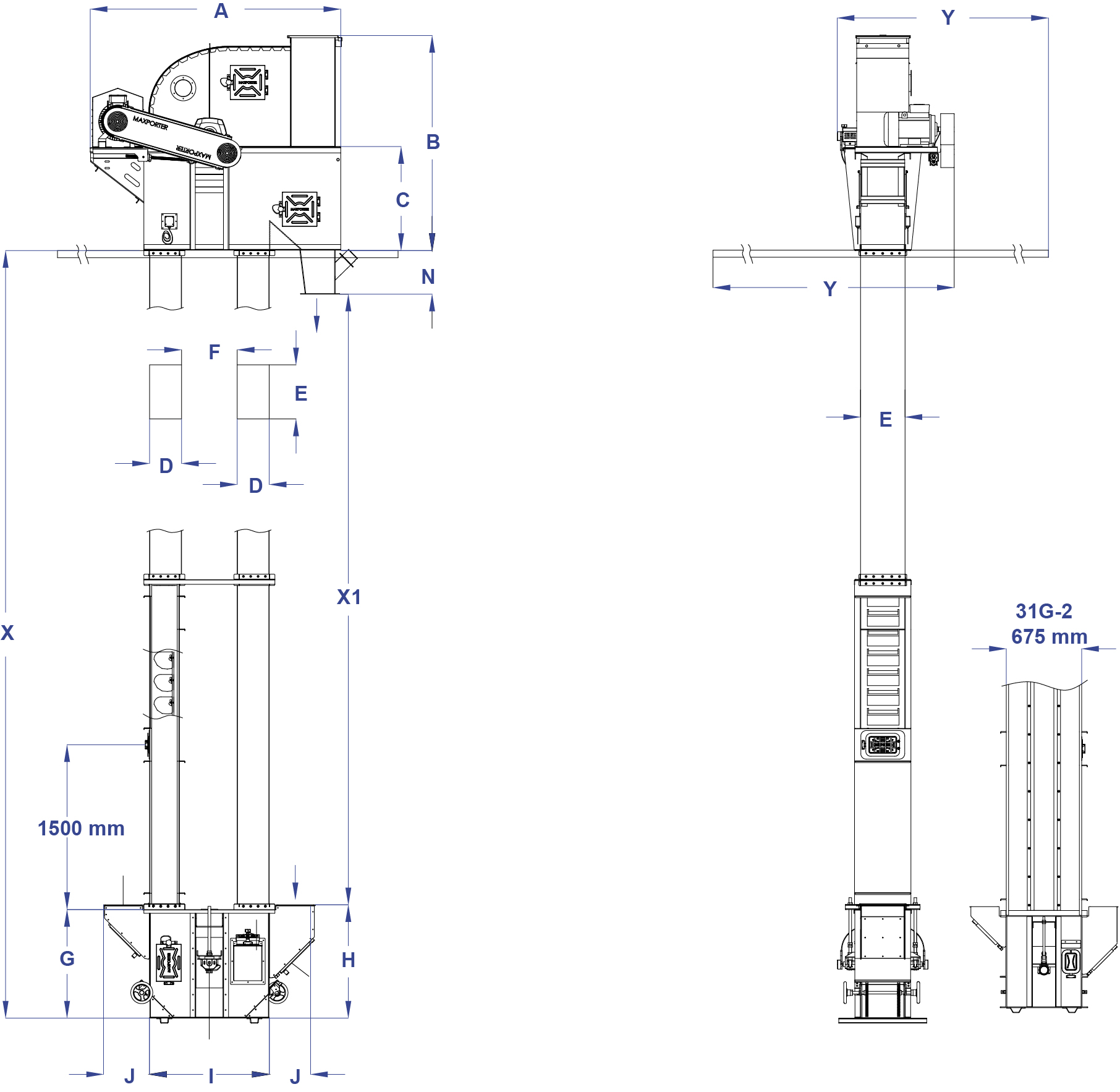
Teknik Özellikler

Resimdeki harflere tıklayarak ürüne ait kapasite tablosuna ulaşabilirsiniz.
  • Biçimlendir
    • Tabloyu Biçimlendir
Tablonun devamını görmek için yana kaydırınız.

Fotoğraflar

  • Kovalı Elevatör
  • 100 TON
  • Türkiye
  • Kovalı Elevatör
  • 100 TON
  • Thailand
  • Kovalı Elevatör
  • 100 TON
  • Türkiye
  • Kovalı Elevatör
  • 100 TON
  • Türkiye
  • Kovalı Elevatör
  • 100 TON
  • Türkiye
  • Kovalı Elevatör
  • 100 TON
  • Türkiye
  • Kovalı Elevatör
  • 100 TON
  • Thailand
  • Kovalı Elevatör
  • 100 TON
  • Türkiye
  • Kovalı Elevatör
  • 100 TON
  • Türkiye
  • Kovalı Elevatör
  • 100 TON
  • Thailand
  • Kovalı Elevatör
  • 100 TON
  • Türkiye
  • Kovalı Elevatör
  • 100 TON
  • Thailand
  • Kovalı Elevatör
  • 100 TON
  • Türkiye
  • Kovalı Elevatör
  • 100 TON
  • Türkiye
  • Kovalı Elevatör
  • 100 TON
  • Thailand

Videolar

Elevatör
Mysilo Konyaseker Altınekin Kovalı Elevatör

Diğer Videolar

Mysilo’da sizlere daha iyi bir deneyim sağlayabilmek için, tanımlama bilgileriniz ve verilerinizi saklarız. Verilerinizi nasıl işlediğimizi öğrenmek istiyorsanız, lütfen buraya tıklayın.