معلومات المنتج

A Model

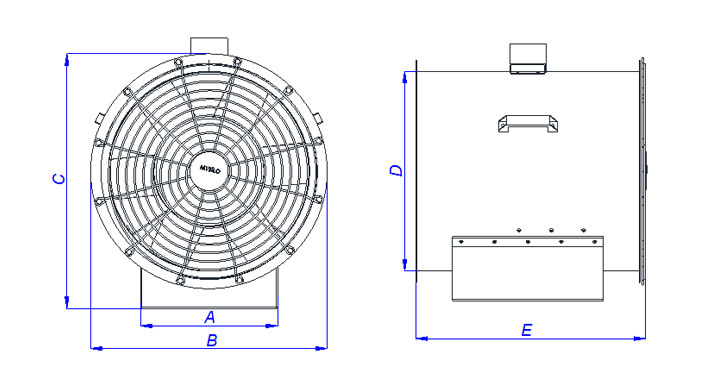
A Model

 

تم تصميم مراوح محواريه مختلفه القوي على حسب الاحتياج وذلك لتطويل مده الانتاج . الماتور القوي يمنع الصوت والذبذابات اثناء العمل ويثبت فى قفص المروحه المحواريه . يوفر التوازن للنظام الالكتروني الخاص . يوفر تدفق هواء كامل وذلك من سكاكين مغلفه بالالمونيوم بتوازن 460Ø  . ولتلافى اي خطر يتم تركيب شبكه على المروحه . 

مواصفات الفنية

مخطط السعة
Tablonun devamını görmek için yana kaydırınız.

الصور

This website uses cookies to provide you with a better service. See the Cookie Policy to change your cookie preferences and learn more about cookies. Please note that if you change the cookie settings, some features of the website may lose their functionality.